Rovine come memoria del passato e quinta di un nuovo spazio pubblico
Rovine come memoria del passato e quinta di un nuovo spazio pubblico
L’intimità della casa scomparsa che un intervento minimo trasforma nel suo opposto: una piazza interna racchiusa da alti muri e dedicata alla divulgazione e alla valorizzazione dei prodotti locali.
Nel paese di Simala, in provincia di Oristano, in accordo con la Soprintendenza e il servizio regionale di tutela del paesaggio l’architetto Martino Picchedda ha scelto di preservare le murature storiche di un ampio edificio a corte ormai in rovina.

Ripuliti, messo in sicurezza, intonacati e tinteggiati con materiali ecologici a base di calce, gli elementi verticali del rudere diventano così elementi fantasmatici, simulacri dell’abitazione che fu, a fare da quinta alla nuova funzione espositiva affidata essenzialmente alle superfici orizzontali.

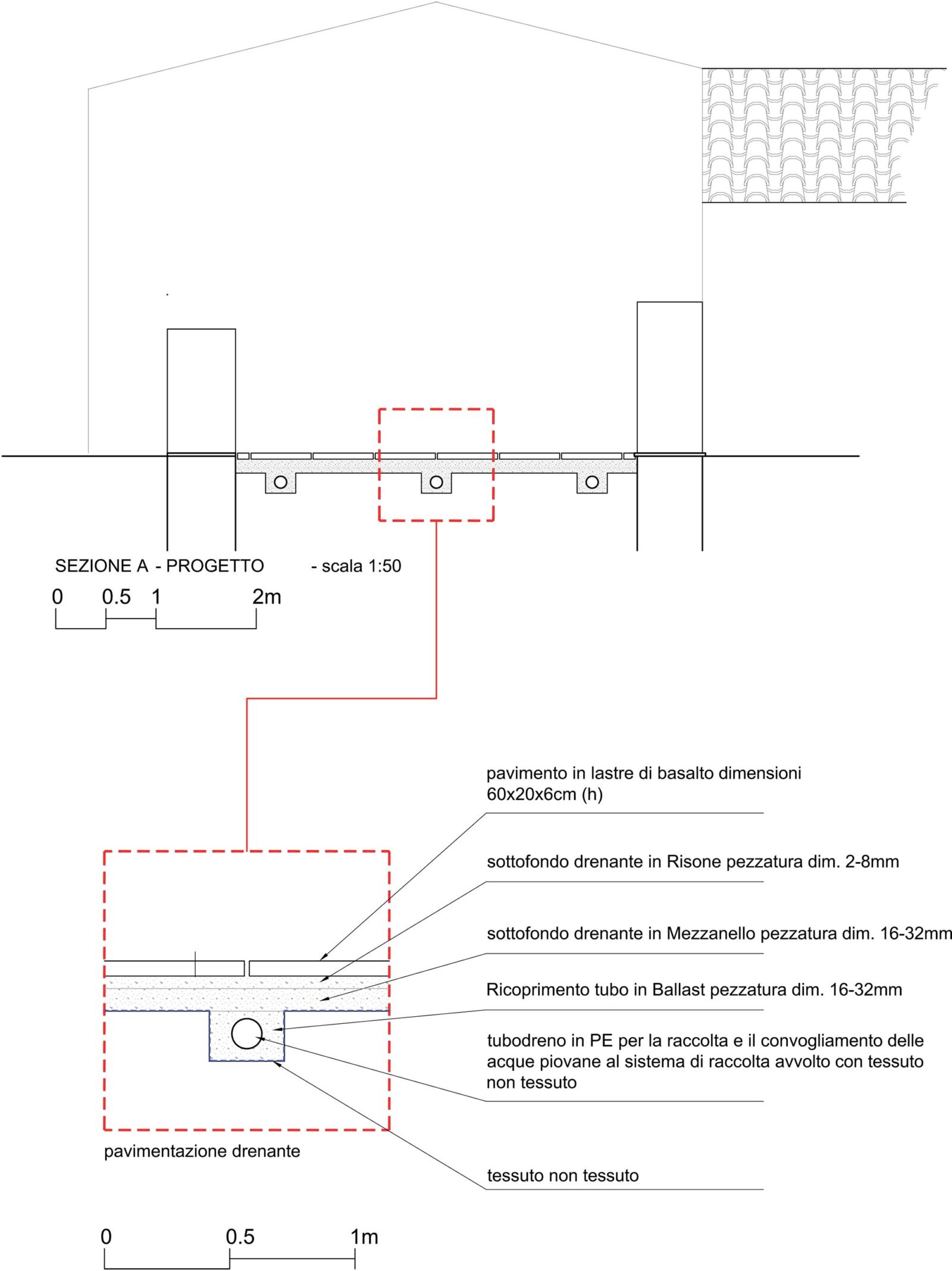
Le quali a loro volta, dopo le operazioni di pulizia e la rimozione delle macerie, sono state trattate mantenendo la modalità utilizzata nei vecchi spazi aperti, con la tipica pavimentazione a “impedrau”, mentre all’interno dei vecchi vani residenziali, ora stanze a cielo aperto, è stata inserita una pavimentazione lapidea come le vecchie “tellas” di pietra, resa permeabile con una posa a fughe larghe su un letto di risone steso sopra una rete di tubi drenanti.

Un’operazione poetica, che ricorda quella a scala gigante di Burri a Gibellina Vecchia, e al tempo stesso funzionale per la piccola economia locale e per il turismo ‘lento’ che frequenta queste aree.
Martino Picchedda

Laureato in Ingegneria Edile-Architettura presso l’Università degli studi di Cagliari nel 2007, Martino Picchedda collabora con lo studio di Giovanni Vaccarini a Giulianova prima di fondare, nel 2011 a Turri, piccolo comune nel cuore della Marmilla, il proprio studio professionale, specializzato in lavori pubblici, recuperi architettonici e restauro edilizio.
La dedizione alla preservazione del patrimonio architettonico sardo si riflette nei progetti di restauro, mentre la progettazione di spazi aperti mira a creare ambienti inclusivi e armoniosi per la comunità.